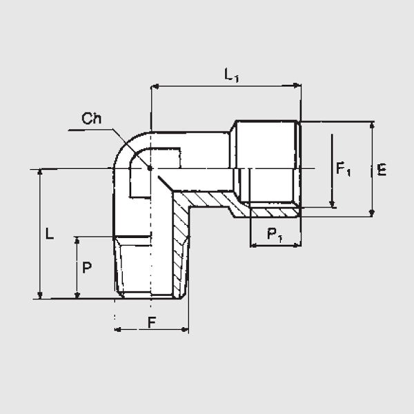
Raccordo Standard L Maschio-Femmina (A10) 1/4-1/4

Codice articolo 02.0002024102.2975

MATERIALE CORPO
Ottone OT 58

Livello stock attuale

0

Minimo acquistabile
50
Disponibile in
1 settimana
0,00 €

Per visualizzare i prezzi occorre effettuare il login oppure registrarsi