Raccordo Automatico Alimentare Diritto Conico Maschio OT-NSF (R1C OT-NSF) Ø10 - 1/4

Codice articolo 02.0002020007.2975

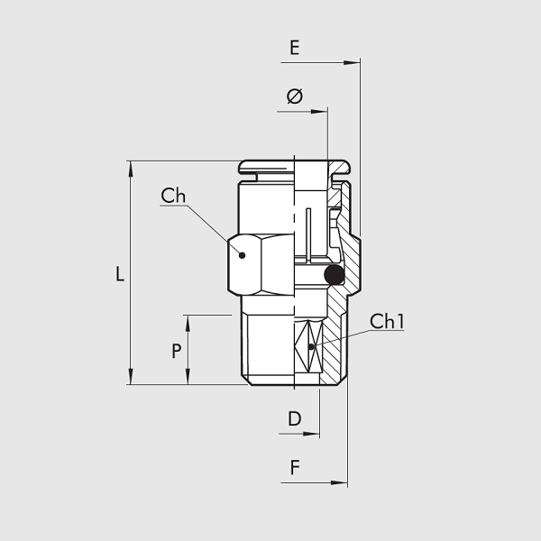
CARATTERISTICHE
I materiali costituenti questi raccordi sono adatti per essere impiegati anche nell’industria alimentare
Inoltre sono adatti per entrare in contatto con acqua potabile sia fredda che calda
Le parti in ottone sono trattate con una depiombatura che estrae il piombo dallo strato superficiale del prodotto; le guarnizioni sono in uno speciale Viton® approvato FDA
Il raccordo non contiene parti in tecnopolimero e di conseguenza vengono evitati problemi di compatibilità con detergenti ed altri agenti chimici
Questa scelta di materiali permette l’impiego del raccordo sino a 150 °C e questo lo rende interessante anche in applicazioni al di fuori del settore alimentare con temperatura elevata
Le filettature sono cilindriche con tenuta pneumatica con O-Ring sottotesta
Questa soluzione evita l’impiego di sigillanti (Teflon® o altro) che in fase di avvitatura e successiva svitatura potrebbero rilasciare frammenti solidi che inquinano l’ambiente o il fluido
Questi raccordi invece possono essere avvitati quante volte si vuole garantendo sempre tenuta pneumatica e pulizia
La scelta dei materiali e dei trattamenti rende questi raccordi interessanti anche per applicazioni nei settori della chimica, farmaceutica, medicale, elettronica

MATERIALE CORPO
La Serie OT-NSF utilizza ottone a basso tenore di piombo (= 0.1%) con ulteriore trattamento di depiombatura superficiale e perciò rispetta anche le normative degli USA ed è certificata secondo gli standard NSF169

DICHIARAZIONI DI CONFORMITÀ
Regolamento 1935/04 EU (*)
Regolamento 2023/06 EU
(*) Test di rilascio eseguiti a 50°C per 30 minuti

CERTIFICATI
NSF/ANSI 169: prodotti che vanno a contatto con alimenti

FILETTATURA
Filetti metrici cilindrici a norma ISO 262
Filetti cilindrici a norma ISO 228-1, designati con la lettera G. Corrispondono anche alla designazione BSP o più precisamente BSPP (P sta per Parallel)
Filetti conici a norma ISO 7-1, designati con la R. Corrispondono anche alla designazione BSP o più precisamente BSPT (T sta per Tapered)

O-RING SOTTOTESTA RACCORDI R (mm)
10,82 x 1,78

COPPIA DI AVVITATURA (Nm)
Filetto: 8
CH: vedere valore relativo al filetto
N.B.: Per l’avvitatura tramite chiave a brugola, il valore della coppia di serraggio da utilizzare non deve superare quello ammesso dal filetto

TUBO CONSIGLIATO
PTFE

Livello stock attuale

0

Minimo acquistabile
50
Disponibile in
1 settimana
0,00 €

Per visualizzare i prezzi occorre effettuare il login oppure registrarsi