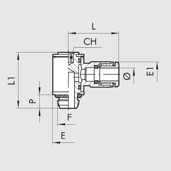
Raccordo Automatico Asta Maschio Anello Singolo Girevole (RU15) Ø1/8 - 10-32 UNF

Codice articolo 02.0002014201.2975

CARATTERISTICHE
I raccordi automatici rappresentano l’elemento di congiunzione tubo-attuatori per eccellenza
Pratico e veloce il raccordo automatico può essere riutilizzato migliaia di volte senza compromettere la perfetta tenuta pneumatica e meccanica
Disponibile in svariate configurazioni, assicura una flessibilità d’impiego praticamente illimitata; la molla di aggraffaggio, dal ricercato profilo, aggraffa il tubo senza inciderlo o deformarlo
Il progetto di questi raccordi si caratterizza per una semplicità della fase di sgancio del tubo, dato che, premendo la bussola di sgancio, la molla di aggraffaggio si apre completamente, lasciando libero il tubo
Questa caratteristica si percepisce molto bene se si preme con un dito la bussola di sgancio, si sente un caratteristico “click-clock”

MATERIALE CORPO
Ottone

FILETTATURA
Filetti cilindrici UNF, a norma ANSI B 1.1
Filetti conici NPT. I filetti femmina sono a norma ANSI B 1-20, i filetti maschio sono una soluzione particolare, compatibile con filetti ANSI B 1-20 (si veda sezione "Dispense Pneumatica" per ulteriori informazioni)

O-RING SOTTOTESTA RACCORDI R (mm)
3,5 x 1,2

COPPIA DI AVVITATURA (Nm)
Filetto: 1,8
CH: 0,7
N.B.: Per l’avvitatura tramite chiave a brugola, il valore della coppia di serraggio da utilizzare non deve superare quello ammesso dal filetto

TUBO CONSIGLIATO
Rilsan PA 11 - Nylon 6 - Poliammide 12 - Polipropilene

Livello stock attuale

0

Minimo acquistabile
100
Disponibile in
1 settimana
0,00 €

Per visualizzare i prezzi occorre effettuare il login oppure registrarsi